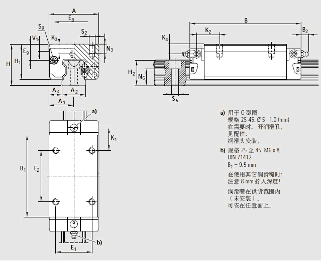
滾珠滑塊
R162421320 力士樂滾珠滑塊
品 牌:博世力士樂
產品規格:

| A | 48 | |
| A1 | 24 | |
| A2 | 23 | |
| A3 | 12.5 | |
| B | 107.9 | |
| B1 | 79.5 | |
| E1 | 35 | |
| E2 | 50 | |
| E8 | 38.30 | |
| E9 | 15.50 | |
| H | 40 | |
| H1 | 33.90 | |
| H21) | 24.45 | |
| H22) | 24.45 | |
| K1 | 20.80 | |
| K2 | 21.95 | |
| K3 | 9.50 | |
| K4 | 9.50 | |
| N3 | 9.0 | |
| N6±0.5 |
15.2 |
|
| S2 | M6 | |
| S5 | 7.0 | |
| S9 |
M3*5 |
|
| T | 60 | |
| V1 | 7.5 | |
| 重量 | 0.80 | |
| 額定載荷C3) | 30 400 | |
| 額定載荷 C03) | 45 500 | |
| 額定轉矩 Mt3) | 430 | |
| 額定轉矩 Mto3) | 650 | |
| 額定轉矩 ML3) | 345 | |
| 額定轉矩 ML03) | 510 |
1)尺寸H2帶防護帶
2)尺寸H2不帶防護帶
3)不帶滾珠鏈的滾珠滑塊的額定載荷和轉矩。
額定載荷和額定動轉矩是以100,000米行程為基礎確定的(根據ISO 14728-1),但實際中經常是以50,000米行程為基礎。
在此情況下,表格中的C、Mt、和ML的值乘以1.26。
預緊等級:
精度等級:
021-57893800工作時間:周一至周五 9:00-18:00









