滾柱滑塊
- 產品介紹
- 技術參數
- 產品圖片
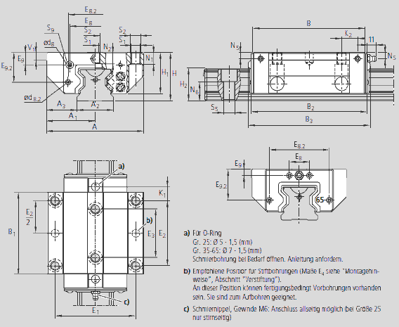
R185152117是法蘭型、標準長、標注高力士樂滾柱滑塊.

| A | 140 | |
| A1 | 70 | |
| A2 | 53 | |
| A3 | 43.5 | |
| B | 166.5 | |
| B1 | 123.1 | |
| B2 | 170.5 | |
| B3 | 177 | |
| d8 | 10 | |
| d 8.2 | 6 | |
| E1 | 116 | |
| E2 | 95 | |
| E3 | 70 | |
| E8 | 74.2 | |
| E 8.2 | 81.60 | |
| E9 | 9.30 | |
| E 9.2 | 55.00 | |
| H | 70 | |
| H1 | 58 | |
| H2 1) | 47.85 | |
| H2 2) | 47.55 | |
| K1 | 21.75 | |
| K2 | 24.90 | |
| N1 | 18 | |
| N2 | 13.7 | |
| N5 | 9.0 | |
| N6 ±0.5 | 28.7 | |
| S1 |
12.5 |
|
| S2 | M14 | |
| S5 | 16 | |
| S93) | M5-8深 | |
| T24) |
60.0 |
|
| V1 | 12.0 | |
| 重量 | 5.5 | |
| 額定載荷C | 128 900 |








