微型導軌
- 產品介紹
- 技術參數
- 產品圖片
R045520331力士樂微型導軌,寬型、適用于滾珠滑塊R0443和R0441,可供貨帶防護帶型號導軌。力士樂微型導軌采用按ISO 683-17/DIN EN 10088的不銹鋼制造,由于采用這種材料,而擁有抵抗腐蝕介質的能力。這種提高的抵抗力可使系統在整個壽命上外形保持不變。

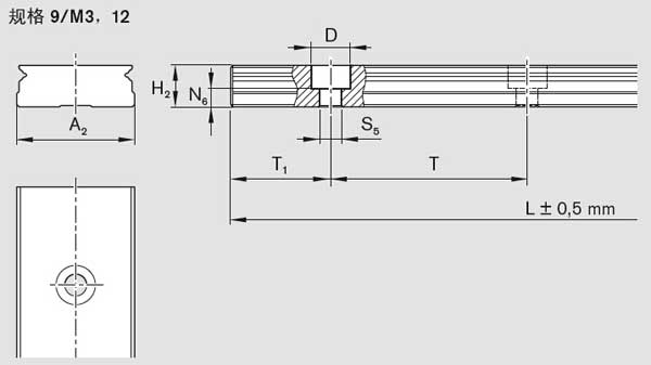
| A2 | 24 |
| H21) | 8.5 |
| N6 | 3.7 |
| D | 8 |
| S5 | 4.5 |
| T1min | 6 |
| T1max | 34.5 |
| T | 40 |
| T3 | - |
| L1max 2)3) | 1000 |
| 重量(g/100 mm) | 145 |
1)不帶防護帶的尺寸
2)在導軌長度超過Lmax時,我們提供相匹配的多段導軌端對端拼接而成
3)針對特殊情況,也可以供應直至2000mm的單件式滾珠導軌,可咨詢我們








