導軌滑塊配件
- 產品介紹
- 技術參數
- 產品圖片
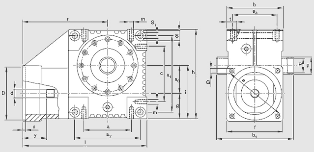
力士樂伺服減速器R345404014是嚙合間隙可調的高性能伺服減速器,傳動比4.75,中心距a0=50mm,配套伺服電機MSK061。這種高性能的渦輪減速器是特別為新一代的直流以及交流伺服電機而研發的。

| 傳動比i | 4.75 | |
| 中心距 | 50±0.12 | |
| 電機 | MSK 061 | |
| a0 | 50 | |
| a | 85 | |
| a1 | 138 | |
| a2 | 118 | |
| a3 | 80 | |
| b | 100 | |
| b1 | 137 | |
| c | 100 | |
| d h8 | 14.7 | |
| D G7 | 95 | |
| e | 130 | |
| f | 115 | |
| g | 45 | |
| G | M8 | |
| h | 160 | |
| i | 95 | |
| l | 238 | |
| m | M8*16 | |
| p H6 | 30 | |
| P h8 | 25 | |
| r | 168 | |
| S | 18 | |
| S1 | 10 | |
| t | 16 | |
| x | 5 | |
| y | 58 | |
| Jge(10-4kgm2 | 0.4830 | |
| 重量 kg | 8.0 |
Jge=減速器的慣性矩








