電缸EMC-HD
力士樂重載電缸EMC-HD系列
電動缸EMC-HD擁有很多方面的應用可能性。由于電動缸的特殊性能,使其在精確性、動態性能和控制特性等方面具有很多優點,因此而能夠在加工流程中在縮短節拍時間、提高靈活性和提高質量方面做出卓越的貢獻。由于其緊湊的結構,使其特別適用于在安裝空間受限的場合應用。021-57893800工作時間:周一至周五 9:00-18:00
- 產品介紹
- 技術參數
- 產品圖片
力士樂重載電缸EMC-HD系列可能的應用領域如下:
▲ 伺服沖壓和成型加工
▲ 壓裝技術
▲ 熱成型加工
▲ 注塑機和吹塑機
▲ 木材加工機械
▲ 機床
▲ 組裝和搬運技術
▲ 包裝機和輸送系統
▲ 試驗臺和實驗室應用
▲ 模擬器
▲ 特殊機械
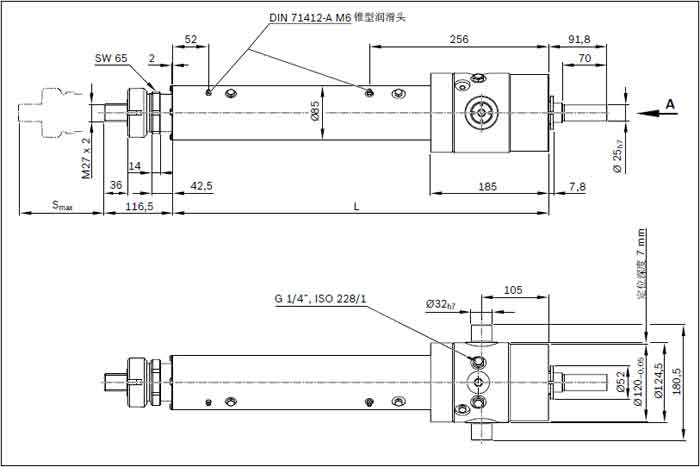
EMC-085-HD 尺寸圖如下:










