光軸支座
- 產品介紹
- 技術參數
- 產品圖片
集成軸支座,R105801200
材料:鋁
結構
— 特別低的安裝高度,配用帶集成導套的直線導套組件
— 從上面夾緊,使工作方便
— 夾緊螺栓有較大的螺紋直徑,安全性更高
— 用于從下面固定的螺紋
— 用于從上面固定的通孔

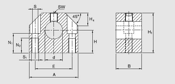
| ød | 12 | |
| dH8 | 12 | |
| H±0.01 | 19 | |
| H1 | 33 | |
| A | 40 | |
| B | 18 | |
| E±0.15 | 27 | |
| S | 5.3 | |
| S1 | M6 | |
| N1 | 16 | |
| N2 | 13 | |
| H4 | 11 | |
| SW | 2.5 | |
| 擰緊力矩(Nm) | 3.8 | |
| 重量:(KG) | 0.045 |
1)以軸公稱尺寸“d”為基準
2)固定螺栓,ISO 4762-8.8








